Modular Power Supplies: Flexibility and Scalability for Diverse Applications
DC power supplies offer a wide range of industry-specific solutions
Modular Power Supplies: Flexibility and Scalability for Diverse Applications
DC power supplies offer a wide range of industry-specific solutions

They provide essential voltage sources for various applications, including consumer electronics, industrial automation systems, and precision medical instruments. This article will explore the different types of modular power supplies and their uses. Modular power supply units transform power management in electronic systems with their flexibility and scalability. These advanced units include detachable cables and configurable power modules, allowing users to customise their power solutions. They improve system performance and adaptability by enabling adjustable voltage and current outputs, optimising thermal management, and supporting high-power components. Modular power supplies are preferred over discrete solutions due to their superior scalability, efficiency, and simplified design. Modular designs help reduce internal clutter, improve airflow, and facilitate easy expansion and reconfiguration, making them suitable for various applications in electronics and computing.
| Power supplies types | Voltage range | Applications |
|---|---|---|
| Uninterruptible power supplies (UPS) | 120V - 480V AC | Data centres, telecommunication facilities, medical equipment, industrial control systems |
| Switching-mode power supplies (SMPS) | 3.3V - 48V DC | Computer systems, consumer electronics, LED lighting, industrial automation |
| Linear power supply | 5V - 48V DC | Laboratory equipment, medical devices, audio equipment |
| Programmable power supplies | 24V - 600V DC | Test and measurement equipment, laboratory applications, Research and Development |
| Industrial power supplies | 24V - 400V AC/DC | Factory automation, process control, machinery, robotics |
| Medical power supplies | 12V - 48V DC | Patient monitoring devices, diagnostic equipment, surgical tools |
| High voltage power supply | 1KV-100KV DC | Medical imaging, semiconductor fabrication, scientific research |
| Rack-mounted power supplies | 12V - 48V DC | Telecommunications equipment, server racks, audio/video systems |
| Modular power supplies | 12V-100V DC | Data center servers, storage systems, networking equipment |
| DIN rail power supplies | 12V - 48V DC | Industrial control panels, building automation systems, HVAC equipment |
| Open frame power supplies | 5V - 48V DC | Industrial computers, test equipment, medical devices |
| Redundant power supplies | 12V - 48V DC | Critical infrastructure, high-availability systems, mission-critical applications |
| DC-DC converter | 1.8V - 48V DC | Automotive, telecommunications, industrial control systems |
| AC-DC power supply | 100V - 250V AC | Consumer electronics, industrial equipment, lighting |
| Solar power supply | 12V - 600V DC | Renewable energy systems, off-grid power solutions |
| Inverter | i/p voltage = 12V-48V DC, o/P voltage = 120V AC - 240V AC | Renewable energy systems, uninterruptible power supply systems |
| Battery backup | 12V - 48V DC | Critical infrastructure, emergency lighting, security systems |
Table 1: Overview of various DC Power Supply types and their applications
A modular and configurable power supply offers exceptional versatility and flexibility for development. It enables a broad range of current and voltage (I-V) characteristics by adjusting or rearranging components on the same platform, eliminating the need for major system redesigns. For example, a 750W modular platform can deliver outputs ranging from 12VDC at 62.5A to 48VDC at 15.6A or any configuration in between, with each output independently regulated to ensure stable performance without interference. Unlike traditional fixed units, modular systems feature interchangeable modules that can be combined to match specific power requirements precisely. This design is especially beneficial in research and development environments where adaptability is crucial. The key benefits of modular power supplies include:
fv
| Output voltage range | Maximum current | Maximum power |
|---|---|---|
| 3.3 to 6V | 30A | 150W |
| 3.3 to 6V | 54A | 260W |
| 6 to 15V | 20A | 240W |
| 6.6 to 15V | 30A | 300W |
| 12 to 30V | 30A | 480W |
| 15 to 30V | 10A | 240W |
| 30 to 52V | 5A | 240W |
| 30 to 60V | 10A | 480W |
| 60 to 104V | 5A | 480W |
Table 2: Wide-range of output adjustments (MU4 output voltage ranges) (Source)
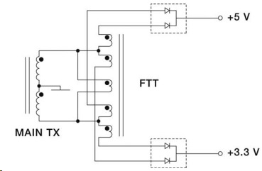
Modular power supplies with multiple isolated outputs provide unparalleled flexibility in voltage and current configurations, which is essential for diverse applications needing both positive and negative polarities. Using fractional turn transformer (FTT) technology, such as in XP's RCL175, these systems deliver a wide range of outputs (typically 3.3V to 60VDC) efficiently without compromising performance or adding complexity.

Figure 1: Fractional turn transformer configuration (Source)
FTT technology enhances multiple output supplies by allowing efficient integer turns on the main transformer and using a separate transformer for fractional turns. This results in better regulation, reduced size, and improved efficiency. It simplifies the design process, eliminates the need for post-regulation, and optimises voltage sensing and control. This is particularly beneficial for common voltage combinations like 3.3V and 5V.
As a result, modular power supplies with FTT technology offer a compact, cost-effective, and highly efficient solution for complex power requirements in technical applications.

Figure 2: Modular power supply with a diversified portfolio (Source)
optimised heat dissipation: Modular power supplies optimise heat waste and extend their lifespan to adapt to different cooling needs. High power density and effective convection cooling reduce the need for forced cooling, making integration easier.
While products requiring 20 CFM (cubic feet per minute) pose challenges as systems get smaller and noise becomes an issue, 10-12 CFM is more manageable and cost-effective. By combining convection cooling with higher power force-cooled ratings, these power supplies use variable-speed fans that only activate under high temperatures or loads. This enhances reliability and reduces noise.
Better Space Management and Streamlined Product Lifecycle: Modular power supplies enhance power system design by saving PCB space and simplifying thermal management. Their compact form and high-power density accelerate design iterations and maintenance. In contrast, discrete solutions require extensive expertise, time, and effort for procurement, validation, and integration. This complicates minor design changes and adds inflexibility due to increased space and weight.
When choosing between power modules and discrete designs, consider the entire product lifecycle. Discrete designs burden your in-house team with design, testing, and certification, risking significant delays. Scaling often requires complete redesigns, extending development timelines. Power modules, on the other hand, streamline logistics and reduce organisational stress. Prequalified modules, like those from Vicor, ensure reliability and compliance, allowing for seamless scalability without extensive redesigns.
Figure 3(a): Excellent space management within a miniature footprint (Source)

Figure 3(b): Power delivery network (Source)
Simplified compliance: Power converters act as safety barriers between high-voltage mains and SELV electronic networks, undergoing rigorous scrutiny. Simplified compliance in power conversion design is crucial for regulatory approval. Switch-mode power converters for AC/DC and DC/DC applications can generate significant electromagnetic interference (EMI).
Modular power supplies, which are pre-designed and tested for stringent safety and EMC standards, mitigate emissions issues from unpredictable broadband noise. Using multiple off-the-shelf supplies risks cumulative leakage currents and safety violations, as these supplies often lack adequate margins for additional connections.
Choosing a modular, configurable power supply ensures compliance, reduces testing costs, and speeds up regulatory approvals. Compared to dealing with multiple suppliers, using a single vendor simplifies the resolution of compliance issues.
Modular power supplies offer adaptability and efficiency, allowing gradual expansions or modifications to meet changing demands with minimal downtime. Users can adjust power output as needed by adding or removing self-contained power modules. This scalability is particularly beneficial in industrial sectors and , where variable power requirements and dynamic computational loads demand optimised energy consumption and operational costs. Some of the key benefits include:
The flexibility and scalability of modular power supplies make them ideal for a wide range of applications:
power our digital lives. Downtime can disrupt services, cause societal impacts, financial losses, and potential dangers. Modern use dedicated infrastructures like UPS systems to ensure continuous operation and resilience.
Three core pillars define the suitability of modular power supply systems for modern :
Legrand’s key UPS technologies include modular architecture for easy scaling and maintenance, advanced power electronics for high efficiency, and intelligent control systems for optimised performance. These features make them perfect for .
The key benefits include:

Figure 4: Examples of N+1 redundancy configuration (Source)
Advantages encompass

Figure 5: Legrand UPS solutions deliver up to 96.6% efficiency, ideal for energy-saving and cost-effective (Source)
The primary advantages are

Figure 6: Keor MOD: Scale as needed. Add servers to racks and upgrade UPS without infrastructure changes (Source)

Figure 7: High power density and compact footprint (Source)

Figure 8: Full communication ports and interfaces like (USB, dry contacts, RS232, RS485, ModBUS, ethernet, parallel, IN/Out logic signals, etc.) (Source)
These UPS systems are designed to meet the evolving needs of various data center types, from small on-premises facilities to large hyperscale and colocation centers. They focus on providing reliable power protection while optimising energy efficiency, reducing total cost of ownership (TCO), and offering the flexibility to adapt to changing infrastructure requirements.
Modular power supplies represent a significant advancement in power management technology, offering flexibility, scalability, and efficiency across various applications. Their ability to adapt to changing power requirements, improve thermal management, and simplify installation makes them a preferred choice in , Telecommunications, Industrial Automation, Medical Equipment, Renewable Energy Systems, and Test and Measurement Environments.
As global distributors we offer a diverse range of modular power supplies to meet these needs, ensuring reliable performance and compliance with stringent safety standards. As the demand for adaptable and efficient power solutions grows, modular power supplies are set to play a critical role in supporting the next generation of technological advancements.