How to Design an Efficient Power Conversion Circuit for EV Chargers

Introduction
As the electric vehicle (EV) market evolves, there is a need for efficient and reliable EV chargers. Power conversion efficiency is the base of any high-performance charging system. It speeds up charging and reduces energy waste, resulting in a more sustainable and cost-effective EV ecosystem. This article will walk you through the intricacies of designing a power conversion circuit for EV chargers. A power converter is the primary link between the power source and the battery in EV charging. The converter's design, cost, and reliability are critical in EV charging stations. In this context, we will look at various contemporary converters like BuK, Boost, Buk-Boost, SWISS rectifiers, matrix converters and Vienna Rectifier converters are among them. Many recent topologies involving these converters currently employ suitable capacitors to store/supply energy to the load. The architecture of EV charging An EV charging station is an electrical grid area found in a residential garage, commercial building street or public parking place. AC and DC charging is possible; AC charging usually refers to Level-1 and Level-2 charging for on-board chargers, while DC charging refers to Level-3 charging, which needs off-board chargers. (To learn more about EV charging principles and connectors, click here).
As illustrated in Fig.1, two general EV rapid charging station layouts are based on the AC and DC bus structures. A three-phase AC bus runs at 250V-480V line-to-line voltage in an AC-connected system. Because each charger unit contains an AC-DC rectifier and a DC-DC converter, the number of power stages rises, resulting in higher cost and complexity. However, due to well-equipped and established power electronics and AC power distribution systems, most fast and ultra-fast charging stations use AC-connected systems. A central AC-DC rectifier is connected to the low-frequency transformer on the input side of a DC bus configuration; PV sources, energy storage devices, and EVs are connected to the DC bus via the DC-DC converter. This topology increases system resilience, and any anomaly from the grid side is readily avoided. As the number of AC-DC rectifiers decreases, the DC bus structure efficiency increases and control method implementation becomes simpler.
Figure 1: Architecture of an EV off-board charging station: (a) DC-connected system. (b) AC connected system

The AC-DC rectifier is the initial power stage of an EV charging station, taking AC voltage from the grid and delivering a stable DC link voltage of around 800V. Because the rectifiers are linked to the utility grid, they might inject harmonics that affect power quality. Power factor correction (PFC) approaches are used to solve this issue. When these PFC techniques are used, the input currents are sinusoidal and in phase with the sinusoidal voltages. An AC-DC rectifier is expected to have low THD (5%), sinusoidal input current, high power factor, bidirectional power flow capabilities, high efficiency and power density, simple modulation and control, reactive power compensation, and steady output DC voltage.
The DC-DC back-end converter is an off-board charger's second power conversion stage that receives a rectified input voltage from the first power stage and adjusts it to the EV battery. The DC-DC stage's input voltage is the DC link voltage, and the output voltage can range between 100V and 1000V. The DC-DC converter handles the battery's constant current (CC) and constant voltage (CV) charging. The DC-DC converter's primary properties are high efficiency, high-frequency operation, high power density, bidirectionality, low output voltage ripple, soft switching capabilities, stable voltage control, and a wide output voltage range. Understanding power conversion for EV chargers Each converter's principal function is to reduce line current THD (Total Harmonic Distortion) and increase net power available to the battery for charging. The level of converters is determined by the storage elements (inductor and capacitor) in the converter's circuit. In this context, we will look at four-level converters with two inductors and two capacitors. These converters can be constructed for single/three-phase or direct DC charging, depending on the power level required.
Buck, Boost, and Buck-Boost converters are the first rung of converters. These converters serve as switched-mode regulators with appropriate control. Figure 2 depicts the circuits of Buck, Boost, and Buck-Boost converters. The average output voltage of a Buck converter is less than the input voltage. The average output voltage of a Boost converter is larger than the input voltage. The average output voltage of a Buck-Boost converter is less/more significant than the input voltage, depending on the duty ratio of the switch.
Figure 2: Buck, boost and buck-boost converters

Buck converters produce unidirectional output current, one polarity of voltage output, and have an efficiency of more than 90%. The output of a Boost converter is susceptible to the duty ratio; this necessitates a larger filter capacitance and inductor than a Buck converter. Buck-Boost converters are highly efficient because they combine the benefits of both Buck and Boost converters. The basic Buck-Boost design allows for the reversing of output voltage polarity. Designing an efficient power conversion circuit in EVs High-level converters are required to increase output quality and suit applications such as EV charging; several viable solutions are noted below:
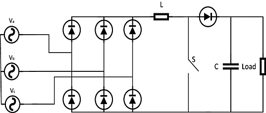
1. Unidirectional boost converter: As illustrated in Fig 2, unidirectional boost converters are used when the output voltage needs to be increased for loads that require higher voltage.
Figure 3: Unidirectional boost converter

The essential purpose of employing a boost converter rather than a traditional diode bridge rectifier is to improve the power factor, eliminate harmonics at the output, and have a controlled DC voltage if unwanted disturbances occur at the AC end.
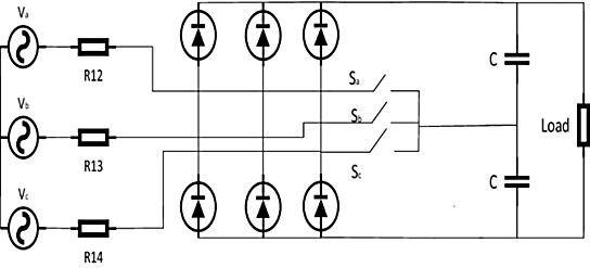
2. SWISS rectifier: As illustrated in Fig.4, SWISS rectifiers are used where efficiency must be raised due to application requirements.
Figure 4: SWISS rectifier

The key breakthrough in using the SWISS rectifier is that it is more efficient than traditional rectifiers. In comparison to boost-type converters, buck-type systems offer a more comprehensive output voltage control range while preserving PFC capabilities at the input, allowing for direct start-up and dynamic current restrictions at the output.
3. Matrix converter: As illustrated in Fig.5, matrix converters are employed for the regenerative operation of charging stations, which must be used for high-efficiency vehicle-to-grid applications.
Figure 5: Matrix converter

A matrix converter is a forced commutated converter that operates at high frequencies using an array of controlled bidirectional switches. This converter does not require a DC-link circuit or much energy storage. Ultimately, it can improve the power factor and lower the harmonics in the line current.
4. Vienna rectifier:As illustrated in Fig.6, the Vienna rectifier is another well-known power converter for improving power quality. This is the most popular option when a high power factor and low harmonics distortion are desired. Because of the low voltage stress in the switches, the switching losses in the Vienna rectifier are modest. This converter features only one active switch per phase, making the Vienna rectifier easier to manage and more reliable. This converter is a PWM converter, with the boost inductor at the input determining power factor correction. When the switch is turned on, the stored energy gained by the inductor when the switch is turned off is delivered to the load via the diodes. The absence of a neutral point connection is one of the benefits of using this topology.
Figure 6: Vienna rectifier
Some recent converters in EVs
- ZVS interleaved AC-DC boost PFC converter:
Used for front-end conversion, followed by a DC-DC Buck Converter. The converter comprises switches, most likely MOSFETs, series inductance, and shunt capacitance. The voltage switching occurs at the point of zero voltage, which is accomplished by introducing a very short dead time between MOSFET switching. MOSFET parasitic capacitance charges and discharges before this slow time. The Series Inductor serves as the Boost Inductor, and its value is supplied by
𝐵𝑜𝑜𝑠𝑡 𝑃𝐹𝐶 𝐼𝑛𝑑𝑢𝑐𝑡𝑜𝑟(𝐿) = 𝑉𝐵𝑢𝑠×𝐷(1−𝐷) / 𝑓𝑠×∆𝐼𝐿
This arrangement offers several advantages: near unity PF, soft switching, near zero switching losses, and efficient battery charging. This converter can provide the required voltage because EVs require charging voltages ranging from 48V to 400V.
- Partial power DC-DC converter: Only a portion of the power is converted by the converter, and the remainder is bypassed straight to the load; therefore, the name Partial Power converter. Because intermediate conversion occurs only briefly, losses such as magnetic, switching, and conduction losses are reduced. As a result, the converter is appealing for use in DC rapid charging stations. This converter can be utilised for grid-connected fast charging, and its efficiency is 3% higher than that of a total converter.
- Quadratic double boost converter: The voltage output of renewable sources such as solar is minimal and requires a boost; to use this power directly to charge an EV, a quadratic double Boost converter is best suited. Double Boost can be created by overlapping the supply with capacitance discharge to charge an EV battery, utilising the superposition technique. This double Boost increases overall solar efficiency to 80%, but the regulation is complicated because many diodes are used to superimpose the voltage.
- Bi-directional DC-DC converter:
A three-level Bi-directional converter can store energy in a battery and retrieve it to power a motor. This can be used effectively for many styles of driving. A converter is presented, in which the battery is charged in buck mode and discharged in boost mode. Passive Elements L and C serve as conversion filters.
This sort of converter employs pulse width modulated methods. This technology compares reference current to battery input current and regulates the on/off switching process. A phase-locked loop harvests the required current for sinusoidal signal generation in charging control.
- Multi-level converters:While an interleaved converter converts using passive elements, a multi-level converter converts by dividing the voltage into n levels using suitable switching elements. Compared to typical interleaved converters, the number of switches needed is reduced, as is component stress; the cost of the converter is also reduced in multilayer converters.
Performance comparison of energy-efficient converters
Table 1 discusses and highlights some of the aspects of converter topologies. The choice of the Vienna rectifier for the implementation of the charging station is reasonable based on a careful examination of the few converter topologies for the following reasons:
- There are fewer switches in each phase.
- Harmonic content is corrected for.
- Superior efficiency compared to PWM rectifiers, SWISS rectifiers, and matrix converters.
- Greater power factor, around 0.99, compared to PWM rectifiers, SWISS rectifiers, and matrix converters.
| Converter | Mode of operation | Phase current THD (%) | Efficiency (%) |
| Unidirectional boost converter | Boost | ~ 30 | 63.5 |
| SWISS rectifier | Buck | < 5 | 99.3 |
| Matrix converter | Buck-boost | ~ 20 | 98 |
| Vienna rectifier | Boost | < 5 | 99 |
| ZVS AC-DC | Boost-buck | ~ 2 | ~ 95 |
| Partial power DC-DC | Boost | ~ 1.5 | ~ 96 |
| Quadratic double boost | Double boost | ~ 3.5 | ~ > 80 |
| Bi-directional DC-DC | Buck in charging, boost in discharging | ~ 2.5 | High |
| Multi-level | Multi-level boost | ~ 2 | ~ 97 |